Medienanlagen
Für kommunale und private Einrichtungen projektieren wir die komplette Medientechnik. Der Umfang umfaßt in der Regel:
- Großflächendarstellung (Beamer, LED-Wand etc.)
- Lautsprecheranlage für Sitzungssäale, Gaststätten etc.
- Medienstellanlagen – z.B. Crestron
- Lichtsteueranlagen für Theater etc.
| Projekt | Fertigst | Wert | Auftraggeber |
|---|---|---|---|
| Sportzentrum Neuching / Gaststätte / Veranstaltung etc. | 2023 | 40 T€ | VG Neuching |
| Montessori Schule Kaufering / Sporthallenerweiterung | 2022 | 40 T€ | VG Mammendorf |
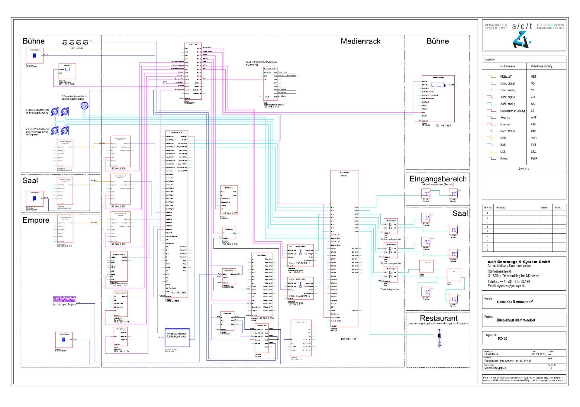
| Bürgerzentrum Mammendorf / Update Crestron | 2020 | 60 T€ | VG Mammendorf |
| Rathaus Mammendorf / Sitzungs- / Trauungssaal | 2020 | 40 T€ | VG Mammendorf |
| Puchheim – PUC – Gastronomie / Elektro-Medien | 2019 | 80 T€ | Stadt Puchheim |
| Stadthalle Schwabmünchen - Modernisierung | 2017 | 630 T€ | Stadt Schwabmünchen |
| Boardinghouse Westendstraße – München | 2016 | 20 T€ | LR Immobilienverwaltung |
| Bürgerzentrum Mammendorf – komplette Bühnentechnik | 2008 | 350 T€ | VG Mammendorf |







